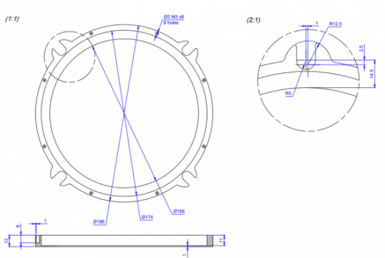
Product Name: Flange
It used for foxed connection
Material: 6061 aluminum
Material Specification: tube material 210*150*17
Development and application of aluminum alloy pipe
Application in the Aviation and Aerospace Industry
Aluminum alloy is the preferred lightweight material for aircraft and spacecraft, extensively used in the aviation and aerospace industry. Below are key applications and specifications of aluminum alloy pipes used in the industry.
1. Cable Protective Covers
| Application | Alloy Type | Specifications |
|---|---|---|
| Cable protective covers for aircraft | 1035, 8A06 Alloy | 42mm x 1mm, 38mm x 1mm, 34mm x 1mm, 32mm x 1mm |
| Cable protective covers for auxiliary fuel tanks | 5A02 Alloy | 6mm x 1mm, 8mm x 1mm, 10mm x 1mm, 10mm x 1.5mm, 12mm x 1mm, 12mm x 1.5mm, 14mm x 1mm |
2. Exhaust Cylinders and Pull Rods
| Application | Alloy Type | Specifications |
|---|---|---|
| Exhaust cylinders (pull rods) for aircraft and spacecraft | 5A02 Alloy | 65mm x 1.5mm, 70mm x 1mm, 72mm x 1mm, 73mm x 1.5mm, 75mm x 1mm, 75mm x 2mm |
3. High-Pressure Conduits
High-pressure conduits made from 5A02 alloy are critical for various aerospace applications and require rigorous testing before use.
| Application | Alloy Type | Specifications |
|---|---|---|
| High-pressure conduits | 5A02 Alloy | Must pass blasting pressure tests before use |
4. New Developments in Aluminum Alloys
The aerospace industry continues to develop new aluminum alloy materials to enhance performance and reduce weight.
| Application | New Materials | Purpose |
|---|---|---|
| New aluminum alloy materials for aerospace | Aluminum-lithium, aluminum-composite alloys | Reduce weight, improve performance |
Application in Rocket and Atomic Energy Industry
1. Rocket Industry Applications
Aluminum alloy tubes are extensively used in the rocket industry for components like exhaust tubes and missile shells, where high-temperature resistance and strength are critical.
| Application | Alloy Type | Specifications |
|---|---|---|
| Exhaust pipe for rocket launcher | 2A12 Alloy | 62mm x (2.2~2.3)mm |
| Shell of a cruise missile | Al-(8.4 | 417mm x 38.5mm (tube billet), processed through extrusion, spinning, and heat treatment for improved high-temperature resistance |
| Missile cabin tubes (guidance & control) | 2124-1T351 Alloy | Guidance cabin: 215mm x 22mm; Control cabin: 215mm x 30mm |
2. Atomic Energy Industry Applications
In the atomic energy industry, aluminum alloy tubes are primarily used for nuclear reactor cooling pipes, known as process pipes, where thermal conductivity and corrosion resistance are paramount.
| Application | Alloy Type | Specifications |
|---|---|---|
| Nuclear reactor cooling pipes (process pipes) | LT24 Alloy (max. service temperature 130°C), 167 Alloy (max. service temperature 185°C) | 43mm x 1mm (pipe); Inner circle diameter of reinforcement: 38.4mm; Anodized surface finish |
Application in the weapon industry
Aluminum alloy tubes are widely used in the weapon industry for a variety of applications, including optical instruments, lenses, sights, instrument enclosures, artillery fuses, electric stun guns, and truncheons. Yijin Hardware provides specialized design and engineering services to ensure these components meet the stringent specifications required for high performance and durability. Below is a summary of how aluminum alloy tubes are applied in the weapon industry.
1. Optical Instruments and Lenses
| Application | Alloy Type | Specifications |
|---|---|---|
| Telescopes, Periscopes, and Other Observation Instruments | 2A11, 2A12, 7A04 (Duralumin) | Thick-walled tubes, used after mechanical processing and surface treatment |
| Representative Specification | 2A11 Alloy | 41mm x 10mm |
| Representative Specification | 2A12 Alloy | 85mm x 7.5mm |
2. Projectile Primer Pipes
| Application | Alloy Type | Specifications |
|---|---|---|
| Used for projectile primer tubes | 2A11, 2A12 Alloy | Thick-walled pipe |
| Representative Specification | 2A11 Alloy | 41mm x 10mm |
| Representative Specification | 2A12 Alloy | 85mm x 7.5mm |
3. Gun Sights
| Application | Alloy Type | Specifications |
|---|---|---|
| Used for manufacturing gun sights | 5052 (Anti-rust Alloy) | 28mm x 2mm, 32mm x 2mm, 38mm x 2mm, 42mm x 2.5mm |
4. Electric Shock Guns and Truncheons
| Application | Alloy Type | Specifications |
|---|---|---|
| Electric shock guns and truncheons | 2A12 Alloy | 30mm x 1mm |
Electrical industry
Aluminum alloy tubes are widely used in the electrical industry, among which the largest quantity is used as busbars with larger specifications. For example, China’s 1973 design of the first 220kV aluminum alloy tube busbar distribution device, used for some substations of the Beijing, Tianjin, and Tang power grid, alloy for 3A21, pipe specifications for (outer diameter/inner diameter):65mm/54mm, 70mm/64mm, 100mm/ 90mm, ①130mm/116mm. With the development of light building materials, aluminum alloy pipe is a better cable channel material than plastic pipe, with better fire performance. In the power equipment, and line equipment, not only the amount of aluminum alloy round tubes is very large, but Some cold-drawn rectangular tubes have also been widely used, such as 6A02 alloy, 60mm X30mmX5mm, 80mm x40mm x6mm, 100mm x50mm x6mm, 100mmX 80mmX 6mm (side length X side length X wall thickness) pipes.
Communication facilities
Aluminum alloy pipe in the application of communication facilities is mainly used as a microwave transmission antenna, television antenna, and UHF antenna is a multipurpose 5A02 alloy welded pipe and cold pull industrial pure aluminum pipe manufacturing. 2. 03mm x 1.02mm x 2 254mm x 1. 27mm x 1 mm. 247.6mm x 123.8mm x 3mm, 292mm x 146mm x 3mm 40 rectangular waveguides also began to be paid attention to in the subway train, its main alloy grade is 6063 aluminum alloy.
Electronics component
Aluminum alloy pipe is also widely used in electronic parts and radio components, mainly 6000 series and antirust aluminum alloy. For example, in the radio components, the main to have high magnesium-aluminum alloy in the 6mmX1mm, 8mmX1mm, and other specifications of pipe; In the electrical components, such as electronic cameras, photocopiers, laser printing presses, laser printers for photosensitive magnetic drum drum base tubes, etc. The aluminum alloy tubes for the drum base of the copier produced by a factory in China are 3A21. The main specifications (outside diameter/inside diameter) are 101.8mm/91.0mm and 92.0mm/81.0mm tubes. A photocopier needs about seven drums a year to run properly. The outer diameter of the tube for the drum base of the laser printer is generally between 20 and 40mm.
Household appliances
Aluminum alloy pipe is widely used in household appliances, with various specifications of aluminum alloy pipe, videotape recorder tape with cylinder, with low thermal expansion coefficient, good wear resistance, easy cutting processing, and no cutting strain of 4A11,2218 alloy pipe manufacturing. The condensing pipe used in refrigerators and freezers is mostly made of 1050A alloy pipe, but most of these pipes are now made of tubes with welds produced by Conforme extruder. The heat exchanger tube of the air conditioner also has the development trend of replacing copper with aluminum to reduce the cost.
Application in the transportation industry
The transportation industry is aluminum alloy pipe applications, low energy consumption, and reduced pollution to the environment. And the potential is very huge, its main purpose is to reduce self-weight, reduce energy consumption, and reduce pollution to the environment.
Railway vehicles
The application of aluminum alloy pipe in railway vehicles is mainly inner wall pipe, and its alloy is 5000 series pipe, such as 5052; Drainage pipe, whose alloy is 6063; Passenger cars, light oil vehicle infusion pipeline, mainly with pure aluminum. With the rapid popularization of air-conditioned vehicles, the consumption of pure aluminum and 3A21 alloy pipes used as air conditioners and radiators will also increase significantly.
Automobile
Aluminum alloy pipes in the automotive industry, are the most representative is the heat exchange pipe radiator and air conditioner, as well as some oil pipelines. Usually, make radiator tubes with 3A21 alloy, make air conditioner tubes with pure aluminum, in this respect, a few developed countries abroad have been far ahead, Germany and other countries in Europe and the United States of a few car heat exchanger aluminate rates have reached 100% although the start is later, but has caused high attention, a lot of car production Enterprises have or are studying the use of aluminum alloy heat exchanger.
Ship
The application of aluminum alloy pipes in the shipbuilding industry is mainly used for the guardrail of various pipelines and upper-layer structures on ships. The large-diameter pipe can be used for the members of the hull, superstructure, and mast, and the beams and columns (hollow cylinder column, hollow angular column). The main alloys are 5083, 5052, 6063, and 6061, and other good rust resistance, and corrosion performance of aluminum alloy pipe, commonly used specifications for (10~150) mm X (3 ~ 8) mm.
Bicycle
Aluminum alloy is the ideal material to reduce the weight of a bicycle, in which the amount of aluminum alloy pipe occupies a large proportion. The main alloy for the bicycle pipe is 2A11,2024, 5056, 6061, 6063, 6013, 7005, etc., and its specifications are generally between 16~72mm. According to different models, the alloy, specification, use, and dosage of bicycle pipe is not the same.
Application in the machinery manufacturing industry
The application of aluminum alloy pipe in agricultural machinery is mainly sprinkler irrigation machinery, tractors, and other agricultural machinery aluminum water tank. In agricultural irrigation, spray irrigation and drip irrigation techniques are widely used to replace traditional furrow irrigation and immersion irrigation, which can improve the utilization rate of freshwater, save labor, increase production and save water, and can adapt to a variety of complex terrain. The sprinkler irrigation unit is composed of a sprinkler irrigation machine, main road, branch pipeline, riser pipe, connecting pipe fittings, and sprinkler head. According to the average calculation, each unit needs about 600m long water pipeline and 400m long water spraying pipeline, and the pipe material accounts for 69% of the total weight of the whole unit. In these pipes, mainly welded pipes, China has a special sprinkler pipe standard (GB5896-86), but its varieties are relatively simple, the nominal outer diameter of 40~60mm a total of 14 kinds, and only two kinds of pipe lengths are 5m and 6m.
The aluminum water tank for the tractor is made of a core and aluminum fins in series. The core is connected to the plate by the cooling water pipe. The cooling water pipe is made of pure aluminum and rust-proof aluminum with good corrosion resistance. In addition, aluminum alloy pipe in grain machinery, and other agricultural machinery, as well as food storage, and processing as the windpipe, and conduit, has also been widely used.
Processing technic
The quantity of the tool:5 tools
Tool type:∅40fly-cutter, ∅12mm butt mill,∅8mm butt mill,∅2.5 drill bit, M3 screw tap
In order to avoid unnecessary material waste and processing efficiency, we choose aluminum pipe material for processing. Because the annular parts are relatively thin and the outer diameter of the parts is relatively large, it is necessary to pay attention to prevent the parts from changing in the processing process and pay attention to the cutting amount and clamping of the tool.
Use ∅40 fly-cutter,∅12mm butt mill, and ∅8mm butt mill to machine parts shape.

Use ∅a 2.5 drill bit and M3 screw tap to machine the M3 thread.

Turn the head for processing, and use ∅40 fly-cutter to machining heights of 12mm and 1mm.

Please refer to the finished parts below:

Yijin Product Recommendation: https://yijin.seo2.au/services/custom-fasteners/, welcome to our fastener columns selected product samples, and hardware products, without a fixed style, basically all according to the customer’s specific requirements to make if you want to buy our fasteners.

Application in the Aviation and Aerospace Industry





