
Optical component, CNC turning-milling

Optical component, CNC turning-milling
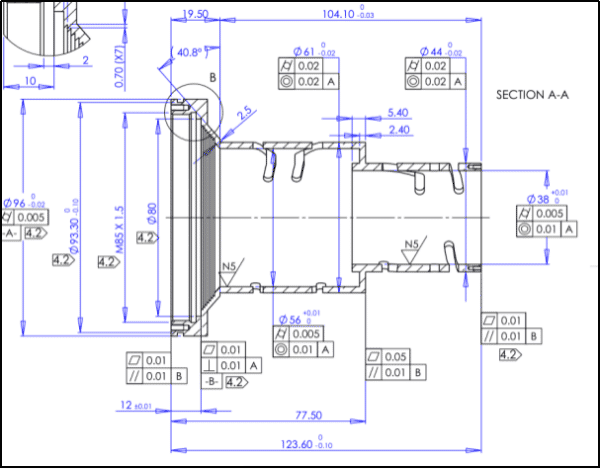
YIJIN’s newly posted products are shown in the pictures above, which are made of AL6061-T6. Their precision is between 0.005mm-0.15mm, and as for the surface finish, we choose the yellow Alodine and black anodized, providing industry-leading-edge technology and equipment to our customers.
There are also some difficulties concerning production:
Two-colored surface treatment, yellow Alodine, and black anodizing. The purpose is to protect the structural parts from corrosion, improving the binding force of the black anodized coating and retaining the electrical conductivity of the partial position of the aluminum alloy.
The detailed treatments:
The parts are processed by turning and milling, overall yellow Alodine surface treatment Alodine per AMS-C-5541 Class 1A, RoHS compliance, covering the surface which does not require black anodizing according to the drawings, black anodized.
YIJIN has made an attempt to achieve our goals to perfection by using the following methods:
Masking method 1: Use high-temperature resistant adhesive papers to mask the parts which need yellow Alodine, and then black anodized.

Optical component,CNC turning-milling

Optical component, CNC turning-milling
Masking method 2: Customizing masking accessories for the parts which require yellow Alodine, assemble masking, and then black anodized.
Masking method 3: Irrigating or applying silicone to the parts which require yellow Alodine, and then black anodized.
Summary: Anodizing processes are totally high-temperature immersion treatments. These methods showed above that the liquid penetrated into the covered parts, causing the yellow Alodine to be infected by black anodizing, resulting in a significantly high defective rate. Furthermore, during the process of blocking, only manual blocking can be used, which has low efficiency and high cost. Therefore, YIJIN discarded the methods.
Ultimately, YIJIN chose the following solutions:
CNC turning-milling compounds (for yellow Alodine position reserve processing allowance), whole yellow Alodine surface finish, completely black anodized. For this product, YIJIN has customized CNC turning and milling special fixture (reduce the repeated positioning error of parts with certain conditional settings), milling the remaining allowance for the yellow Alodine part, Yellow Alodine.
Yellow Alodine cannot stick to the black anodized coating, so it can stick to the CNC turning and milling position (meaning the position which requires yellow Alodine).
You may refer to the pictures below:
YIJIN aims to provide customers with efficient service as our highest purpose of action. Structure and processing optimization will save costs, and that is the reason why so many customers choose YIJIN.
YIJIN is an ISO9001:2008-qualified factory. Customers are mainly from France, Israel, Switzerland, Germany, the United States, Ukraine, Romania, The United Kingdom, Belgium, Venezuela, Mexico, Brazil, Malaysia, Myanmar, etc.
YIJIN is always willing to offer high-class precision hardware parts for military, aviation, and navigation uses. YIJIN do sincerely look forward to cooperating with you all in the future.






