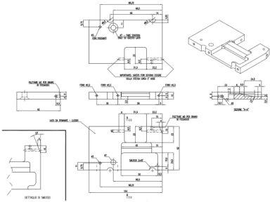
Product name: Cover plate
Accuracy grade: IT10
Materials: Black POM
Materials Specification: Plate 104mm*62mm*10mm
Product usage: Connected with the universal module at the core of optical equipment

Black POM/Polyformaldehyde
The scientific name for polyformaldehyde is also known as POM or special steel. Polymerized with formaldehyde as a raw material.
Black POM Advantages
1. Good physics, mechanical and chemical performance, especially will excellent wear resistance.
2. Polyformaldehyde is a high-density crystalline polymer without a side chain and has excellent comprehensive properties.
3. Polyformaldehyde is a kind of hard and dense material, with a smooth surface, shiny, light yellow, or white, and can be used at -40-100°C for a long time.
Black POM Physical Property
Polyformaldehyde tensile strength is 70MPa, low water absorption, and the size is stable and gloss. Its properties are better than nylon. Polyformaldehyde is a highly crystalline resin and is the strongest of thermoplastic resins. It possesses high heat resistance, high bending strength, high fatigue resistance, excellent wear resistance, and electrical property.
Black POM Plasticity Feature
- POM is also used for pipe equipment (pipe valve, pump shell), lawn devices, etc., because of its high-temperature resistance.
- POM is a kind of strong and elastic material, even at low temperatures, it still has good crystallization index resistance, great stability, and impact resistance.
- The high crystallinity of POM leads to a high shrinkage rate which up to 2%一3.5%. And different reinforcement materials have different shrinkage rates.
- Decomposition occurs when the temperature exceeds a certain limit or when the melt is heated for too long. POM has a good comprehensive performance. It is the hardest thermoplastic.
Black POM Chemical Property
According to the different molecular chain structures, poly (formaldehyde) qi Run plastic can be divided into homogeneous poly (formaldehyde) and copolymer poly (formaldehyde).
Disadvantages: Very limited resistance to acid, strong alkali, and ultraviolet radiation. (Adding UV agents can greatly improve its UV resistance).
Black POM Machining Process
Machining device: CNC milling machine
Tool application amount: 10
Tool’s type: Φ20 vertical milling cutter, Φ8 vertical milling cutter, Φ6vertical milling cutter, Φ5vertical milling cutter, Φ7 drill, Φ3 drill, Φ3.2drill, Φ2.5 drill, M3 tap, R1 sphere mill
①Roughing and finishing process outer contour with Φ8 vertical milling cutter.

②Roughing and finishing the groove of work parts with Φ8、Φ6 vertical milling cutter; Roughing and finishing the slope with Φ5 vertical milling cutter and R1 sphere mill; Roughing and finishing Φ3 and Φ7 through-hole with Φ7 drill.

③Turning process, roughing and finishing the thick residual bur with Φ20 vertical milling cutter, and control the total height within 10mm; Roughing and finishing countersunk surface with Φ5 vertical milling cutter.

④Roughing and finishing the blind hole with Φ2.5 drill; Roughing and finishing the deep hole with Φ3.2 drill; Roughing and finishing M3 thread with Φ2.5 drill and M3 tap.

The finished product of black POM cover plate parts is as follows:








